拱形波纹钢屋盖
您现在的位置:首页 > 拱形波纹钢屋盖  > 技术参数

e67c3f972ce9168ea938074c1c9c3422.png  技术参数


image.png


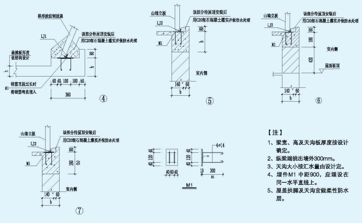
e67c3f972ce9168ea938074c1c9c3422.png  拱脚连接详图一


image.png

image.png


e67c3f972ce9168ea938074c1c9c3422.png  拱脚连接详图一


image.png